
د محصول تفصیل
| ګټه: | ډیر سرعت | د لیبل کولو سرعت: | 60-200pcs / min |
|---|---|---|---|
| دنده: | د اشیش سټیکر لیبل کول | مواد: | دزنګ ضد اوسپنه |
| د بوتل ډول: | د اتومات پړاو بوتل لیبلر جار | کاریال: | د ګردي کانتینر ټولو ډولونو لپاره |
| د پلیک برانډ: | دوستیسي (جاپان) | د سرو لیبل کولو موټرو: | ډیلټا (تایوان) |
د سرخ شراب لیبل کولو ماشین ګلاس شراب بوتل لیبل کولو ماشین ، د PLC کنټرول سیسټم MITSUBISHI برانډ لیبل کولو ماشین
برخی:
1. عملیات: د PLC کنټرول سیسټم د لیبل کولو ماشین چلول اسانه کوي
2. مواد: د لیبل کولو ماشین اصلي بدن د SUS304 سټینلیس سټیل څخه جوړ شوی
3. تشکیلات: زموږ د لیبل کولو ماشینونه پیژندل شوي جاپاني ، الماني ، امریکایی ، کوریا یا تاییوان برانډ برخې غوره پیژني
4. انعطاف وړتیا: پیرودونکی کولی شي د چاپګر او کوډ ماشین غوره کړي؛ کولی شي له کنویر سره اړیکې غوره کړي یا نه.
تخنیکي پیرامیټرې:
| نوم | د لوړ سرعت آستین لپاره د اتومات ګرد شراب شراب بوتل د بوتل لیبل کولو ماشین |
| د لیبل کولو سرعت | 60-350pcs / min |
| د څيز لوړوالی | 30-350 ملي میتر |
| د څيز ضخامت | 20-120 ملي میتر |
| د لیبل لوړوالی | 5-180 ملي میتر |
| د لیبل اوږدوالی | 25-300 ملي میتر |
| لیبل رولر دننه قطر | 76 ملي میتر |
| لیبل رولر له قطر بهر | 420 ملي میتر |
| د لیبل کولو درستي | mm 1 ملیون |
| برښنا ترتیبونکی | 220V 50 / 60HZ 3.5KW |
| د چاپګر ګاز مصرف | 5Kg / m2 (که د کوډینګ ماشین اضافه کړئ) |
| د لیبل کولو ماشین اندازه | 2800 (L) × 1650 (W) 00 1500 (H) ملي میتر |
| د لیبل کولو ماشین وزن | 180 کلو |
شکل بندي
| نه. | برخه | نښه | مقدار |
| 1 | PLC | میتوشی (جاپان) | 1 |
| 2 | اصلي کنورټر | ډانفوس (ډنمارک) | 1 |
| 4 | HMI | وینیوو (تایوان) | 1 |
| 5 | د سرو لیبل کولو موټرو | ډیلټا (تایوان) | 1 |
| 6 | د سرو لیبل کولو موټرو چلونکی | ډیلټا (تایوان) | 1 |
| 7 | د کنویر موټر | HY (تایوان) | 1 |
| 8 | د موټرو ګیر بکس | HY (تایوان) | 1 |
| 9 | د بوتل موټرو ویش | GPG (تايوان) | 1 |
| 10 | د بوتل موټرو ګیربکس تقسیم کول | GPG (تايوان) | 1 |
| 11 | بوتل د موټرو سرعت والي جلا کوي | GPG (تايوان) | 1 |
| 12 | موټرې وخندل | GPG (تايوان) | 1 |
| 13 | د موټرو ګیربکس ووایاست | GPG (تايوان) | 1 |
| 14 | څیز د جادو سترګه کشف کړه | اومرون (جاپان) | 1 |
| 15 | نوري فایبر | اومرون (جاپان) | 1 |
د ماشین تفصیل:

32 اصلي لیبل کولو ماشین برخې

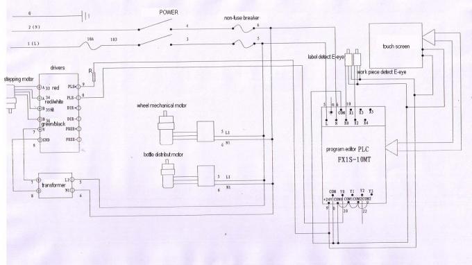
د سرکټ ډیاګرام

پرله پسې پوښتنې:
.bel لیبل بلبلږي
لاملونه:
board تختې خلاص ښel نه دي / نه فلیټ؛
low د قلبه تخته ښه نده / نه فلیټ؛
③ د لیبل کولو محصول خورا ګړندی دی یا د مجلس خط سرعت خورا ټیټ دی؛
label لیبل ډیر نرم کش شوی دی
حلونه:
board د تختې نه پاک فلیټ بدل کړئ؛
low low a p lowlow؛؛ board board board board②②؛؛؛؛.
the د لیبل کولو محصول سرعت ورو کړئ یا د مجلس لیکې سرعت زیات کړئ؛
label د لیبل بیلټ په سمه توګه تاثیر کړئ.
ټاګ: د صنعتي لیبل کولو ماشین ، د شیشې بوتل لیبل کولو ماشین









